1
Величину g считать равной 10 м/с2.
Яблоко, упавшее с дерева, ударилось о землю со скоростью 10 м/с. Чему равна средняя скорость движения яблока? Сопротивление воздуха не учитывать.
A) 10 м/с
Б) 20 м/с
В) 5,0 м/с
Г) 3,3 м/с
Д) нет правильного ответа
2

Материальная точка движется по прямой. На рисунке показан график зависимости скорости точки от времени. Чему равно перемещение точки за 30 с движения?
A) 180 м
Б) 90 м
В) 45 м
Г) 0 м
Д) нет правильного ответа
3
Чему равна средняя скорость движения Земли вокруг Солнца? Среднее расстояние от Земли до Солнца 150 миллионов километров.
A) 4,8 км/с
Б) 4,8 м/с
В) 30 км/с
Г) 30 м/с
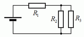
Д) нет правильного ответа
4

Тело брошено с обрыва почти вертикально так, что упало у основания уступа. Тело поднималось вверх 3,0 с, а падало 5,0 с. Чему равна высота уступа? Сопротивление воздуха не учитывать.
A) 20 м
Б) 40 м
В) 60 м
Г) 80 м
Д) нет правильного ответа
5

Точка М находится на ободе подвижного колеса радиуса r, которое катится без проскальзывания по неподвижному колесу радиуса R. Траектория точки M называется эпициклоидой. На рисунке показана одна из возможных эпициклоид. Чему равно отношение радиусов неподвижного и подвижного колеса R/r ?
A) R/r = 2/3
Б) R/r = 3/2
В) R/r = 3/4
Г) R/r = 3/5
Д) нет правильного ответа
6
На сколько процентов изменяется скорость Луны относительно Солнца в процессе ее движения вокруг Земли. Считайте, что Земля и Луна движутся по круговым орбитам в одной плоскости. Радиус Земной орбиты (относительно Солнца) – 150 млн км. Радиус Лунной орбиты (относительно Земли) – 384 тыс. км, период обращения Земли вокруг Солнца – 365,26 дней, период обращения Луны вокруг Земли – 29,5 дня.
A) скорость Луны не изменяется
Б) 3,17%
В) 6,33%
Г) 0,51%
Д) нет правильного ответа
7
С верхней полки движущегося равномерно поезда падает без начальной скорости (относительно поезда) небольшой шарик. Какова траектория шарика относительно земли? Сопротивление воздуха не учитывать.
A) вертикальная прямая
Б) наклонная прямая
В) парабола
Г) дуга окружности
Д) нет правильного ответа
8

На рисунке показаны начальные положения двух точек (шкалы в метрах), которые начинают двигаться с постоянными скоростями V1 и V2, показанными на рисунке в некоторых относительных единицах. Найдите с погрешностью, не превышающей 0,2 м, минимальное расстояние между точками в процессе их движения.
A) 3,0 м
Б) 5,7 м
В) 6,3 м
Г) 0 м
Д) нет правильного ответа
9

На фото показана шкала штангенциркуля. Чему равна длина измеряемого тела?
A) 3,0 мм
Б) 4,0 мм
В) 3,5 мм
Г) 4,5 мм
Д) нет правильного ответа
10
Акселерометр – это прибор для измерения …
A) пройденного пути
Б) скорости
В) ускорения
Г) силы тяги
Д) нет правильного ответа
11
Трибология – это раздел физики, изучающий …
A) трение
Б) упругие свойства тел
В) твердость тел
Г) мягкость тел
Д) нет правильного ответа
12

Какой максимальный выигрыш в силе можно получить с помощью полиспаста, показанного на рисунке?
A) в 2 раза
Б) в 4 раза
В) в 8 раз
Г) в 16 раз
Д) нет правильного ответа
13
На электронных весах стоит стакан, частично заполненный водой. В воду на нитке опускают стальной шарик массы m = 3,9 г так, что он оказывается полностью погруженным в воду, но не касается ни дна, ни стенок стакана. На сколько изменится показание весов. Плотность стали ρ1 = 7,8·103 кг/м3, плотность воды ρ0 = 1,0·103 кг/м3.
A) увеличится на 3,9 г
Б) увеличится на 0,50 г
В) не изменится
Г) уменьшится на 0,50 г
Д) нет правильного ответа
14

Во сколько раз можно увеличить момент силы с помощью шестереночной передачи, изображенной на рисунке?
A) в 1,5 раза
Б) в 2,0 раза
В) в 2,5 раза
Г) в 3,0 раза
Д) нет правильного ответа
15
Для изучения силы сопротивления воздуха при движении автомобиля, неподвижный автомобиль обдувают воздухом в аэродинамической трубе. Какой фундаментальный физический принцип используется в таких экспериментах?
A) принцип относительности
Б) принцип независимости действия сил
В) принцип равенства сил действия и противодействия
Г) принцип дополнительности
Д) нет правильного ответа
16
Если открыть бутылку с газированной водой, охлажденную в холодильнике до температуры ниже 0°С, то вода может быстро замерзнуть. Как объясняется это явление?
A) при открывании бутылки давление в ней понижается, поэтому понижается температура воды и вода замерзает
Б) в воде появляются маленькие пузырьки, которые становятся центрами кристаллизации, на которых быстро намерзает лед
В) объем льда больше объема воды той же массы, поэтому при открывании бутылки появляется место для образования льда
Г) это происходит потому, что бутылку вынесли на свет
Д) нет правильного ответа
17
В термостате смешивают 2,0 л горячей воды при температуре 80°С и 1,0 л холодной воды при температуре 20°С. Какая температура воды установится в термостате?
A) 40°С
Б) 50°С
В) 60°С
Г) 70°С
Д) нет правильного ответа
18
Плотность воздуха ρ = 1,3 кг/м3, средняя масса молекул воздуха m = 4,8·10–26 кг. Оцените среднее расстояние между молекулами воздуха в нанометрах (1 нм = 10–9 м).
A) 33 нм
Б) 13 нм
В) 10 нм
Г) 3,3 нм
Д) нет правильного ответа
19

На рисунке показано расположение атомов некоторого вещества. В каком состоянии находится вещество?
A) в твердом
Б) в аморфном
В) в жидком
Г) в газообразном
Д) нет правильного ответа
20
Почему при нагревании графита его электрическое сопротивление уменьшается?
A) увеличивается расстояние между атомами углерода
Б) увеличивается скорость движения электронов
В) увеличивается концентрация свободных электронов
Г) уменьшается число столкновений электронов с атомами
Д) нет правильного ответа
21

В схеме, показанной на рисунке, сопротивление каждого резистора равно R, чему равно общее сопротивление этой цепи?
A) 3 R
Б) 3/2 R
В) 2/3 R
Г) 1/3 R
Д) нет правильного ответа
22

Мощность теплоты, выделяющейся на резисторе R1, равна 16 Вт. Какая мощность выделяется на резисторе R3? Сопротивления всех резисторов одинаковы.
A) 8,0 Вт
Б) 4,0 Вт
В) 2,0 Вт
Г) 16 Вт
Д) нет правильного ответа
23

В цепи, показанной на рисунке, источник создает напряжение 4,0 В, независимо от сопротивления внешней цепи. При сопротивлении резистора 3,0 Ом амперметр показывает силу тока 1,0 А. При каком сопротивлении резистора амперметр будет показывать силу тока 2,0 А?
A) 1,0 Ом
Б) 1,5 Ом
В) 2,0 Ом
Г) 3,0 Ом
Д) нет правильного ответа
24

Два одинаковых легких металлических шарика висят в воздухе на шелковых нитях на небольшом расстоянии друг от друга. Одному из шариков сообщают электрический заряд. Как будут двигаться шарики после этого? Разрядом шариков через воздух можно пренебречь.
A) шарики останутся висеть неподвижно
Б) шарики притянутся друг к другу и остановятся
В) шарики отклонятся в противоположные стороны
Г) шарики притянутся друг к другу, после соприкосновения разойдутся в противоположные стороны
Д) нет правильного ответа
25

Будут спешить, или отставать маятниковые часы при повышении температуры? Почему?
A) скорость хода часов не изменится, так как период колебаний от температуры не зависит
Б) будут спешить, так как длина маятника увеличится
В) будут отставать, так как длина маятника увеличится
Г) будут отставать, так как увеличится сопротивление воздуха
Д) нет правильного ответа
26
В какой стадии прыжка прыгун в высоту находится в состоянии невесомости?
A) на стадии подъема
Б) в верхней точке траектории
В) на стадии движения вниз
Г) во время всего прыжка
Д) нет правильного ответа
27
Ртутный термометр находится на открытом воздухе и освещается солнечным светом. При температуре воздуха 20°С термометр показывает 60°С. Каковы будут показания такого же термометра, закрытого полупрозрачным стеклом, пропускающим только половину солнечного света?
A) 60°С
Б) 50°С
В) 40°С
Г) 30°С
Д) нет правильного ответа
28
Почему кажущаяся глубина водоема меньше истинной?
A) потому, что скорость света в воде меньше, чем в воздухе
Б) потому, что свет сильнее поглощается в воде
В) потому, что свет сильнее рассевается в воде
Г) потому, что свет преломляется на поверхности воды
Д) нет правильного ответа
29
Почему на экваторе сумерки длятся меньше, чем в средних широтах?
A) потому, что вблизи экватора солнце заходит за горизонт почти вертикально
Б) потому, что в жарком воздухе рассеяние света меньше
В) потому, что на экваторе Солнце движется по небосводу быстрее
Г) потому, что вблизи экватора показатель преломления воздуха меньше
Д) нет правильного ответа
30
Каково происхождение слова «физика»?
A) от греческого выражения «любовь к мудрости»
Б) от греческого слова «природа»
В) от греческого слова «наука»
Г) от греческого слова «слово»
Д) нет правильного ответа